Version History

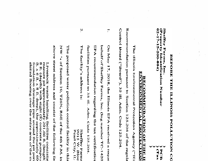
Type # Version Owner Created Size  
Version 2 PCB20-Sheffey Farm Tax Cert Package212242019.pdf

No comment added

brownd 12/24/19 10:47 AM 1100991